
產品分類:三次元振動篩
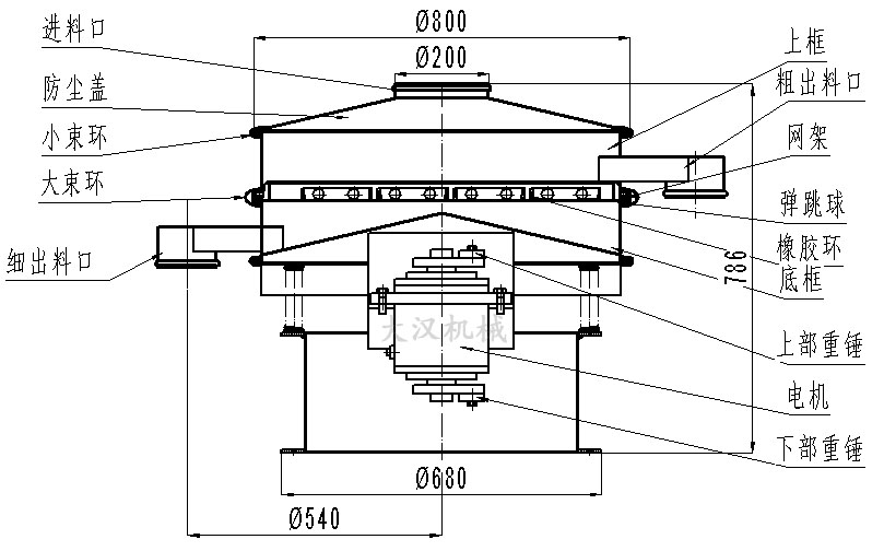
產品優勢:顏料粉振動篩為直徑800mm的單層兩出口振動篩,與物料接觸部分為304不銹鋼材質,底座為碳鋼材質,網架采用子母網分離式金屬絲編織網。 顏料粉振動篩的特點: 1. 效率高、設計精巧耐
全國統一銷售熱線:0373-268 2333
顏料粉振動篩為直徑800mm的單層兩出口振動篩,與物料接觸部分為304不銹鋼材質,底座為碳鋼材質,網架采用子母網分離式金屬絲編織網。



1. 效率高、設計精巧耐用,粉類、粘液均可篩分。
2. 換網容易、操作簡單、清洗方便。
3.網孔不堵塞、粉末不飛揚、可篩至400目或0.028mm。
4.雜質、粗料自動排出,可以連續作業。
顏料粉振動篩由直立式振動電機作為激振源,電機上、下兩端安裝有偏心重錘,將電機的旋轉運動轉變為水平、垂直、傾斜的三次元運動,再把這個運動傳遞給篩面進行篩分。調節上、下兩端的相位角,可以改變物料在篩面上的運動軌跡。



新子母網分離式結構設計優點;
1.節省時間(3-5分鐘更換篩網即可完成);
2.節省人力,換網多只用兩人;
3.增加生產線的流暢性;
4.增加篩網壽命,彈跳球不直接撞擊工作網;
5.篩網使用面積增加;


售后服務:
1.保修期內非因操作不當造成需要更換的零配件及設備由我廠負責包修、包換。
2.質量保證期結束后,我廠將繼續免費提供售后服務,不限年份終身服務,僅收取零部件成本費,免收人工費,免收維修費。
服務承諾:
為了向您提供完善的售后服務,請將您的寶貴意見、建議及要求反饋給我廠。我們感謝貴單位使用我廠的產品,我廠建立有完整的營銷網絡及完善的售后服務體系,售后服務部已將您購買的產品建立了信息檔案。如果您購買的產品出現質量問題,我們將及時為您提供全方位的服務。