
產品分類:三次元振動篩
產品優勢:防腐塑料振動篩采用聚丙烯材料也叫PP材料通過特殊的加工工藝制作的用于滿足所生產的物料有酸堿性、腐蝕性的物料的篩分作業,很多客戶稱呼為聚丙烯塑料振動篩,PP塑料振動篩,耐酸
全國統一銷售熱線:0373-268 2333
塑料振動篩采用聚丙烯PP材料通過特殊加工工藝制作而成,于滿足所生產的物料有酸堿性、腐蝕性的物料的篩分作業,聚丙烯塑料振動篩,PP塑料振動篩,耐酸堿塑料振動篩,塑料化工振動篩等。塑料振動篩是目前有效解決具有氧化,腐蝕鋼鐵材質的物料篩分,除雜,過濾的方案,并且確保了物料在篩分過程中不會變質。

1、聚丙烯塑料材質,耐腐蝕、抗氧化
2、配置彈跳球清網裝置,可有效消除網孔堵塞,提高篩分效率
3、可單層或多層組合安裝使用,一次性將物料分成2-6個級別
4、出料方形可360°任意調整,雜質、粗料自動排出。
5、全封閉結構,無粉塵飛揚,無液體飛濺。

塑料防腐蝕振動使用目的:分級、去液體、去雜質。

1、分級:用SLS系列三次元振動篩分過慮機一臺即可連續的對產品實行分離篩選,多層使用一次可分離篩選出六組不同粒徑的產品且不會出現顆粒大小比例不一致的現象。
2、去液體:本設備單層、多層使用,可十分有效地處理固體、液體的混合物料,快速實現固液分離,并篩選過慮出不同的目的物料。
3、去雜質:本設備可對大量物料,除去大小不同的小部分物料,進行快速分離。
塑料振動篩又稱為塑料化工旋振篩、塑料化工振蕩篩、塑料化工震動篩、塑料化工圓振篩、塑料化工過濾振動篩等等多種不同稱呼,但是主要使用目的是將腐蝕性較大的物料進行篩分過濾。

化工行業——樹脂粉、涂料、工業藥品、化妝品、油漆、中藥粉、PVC樹脂粉粒、檸檬酸、聚乙烯粉、洗衣粉等。
食品行業——面粉、奶粉、糖粉、食鹽、豆漿、蛋粉、淀粉、調味品、糊精、果汁、飲料、米粉、醬油、酵母液、鳳梨汁、魚粉等。
金屬、冶金礦業——鋁粉、鉛粉、銅粉、礦石、合金粉、焊條粉末、二氧化錳、電解銅粉、電磁性材料、研磨粉、耐火材料、高嶺土、石灰、氧化鋁、重質碳酸鈣、石英砂等。
醫藥行業——中藥粉、中藥液、西藥液、醫藥中間體等。
磨料陶瓷冶金行業——石英砂、氧化鋁、泥漿、高嶺土、人造黑鋁、噴霧土粒、炭化硅、鐵粉、金剛砂、鉛粉、二氧化鈦等。
公害處理——廢油、廢水、染整廢水、助劑、活性碳等。

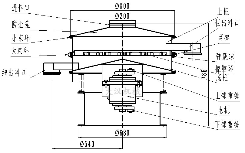
塑料防腐蝕振動篩采用YZUL立式振動電機作為激振源,通過振動電機上下兩端的偏心重錘將旋轉運動轉變為水平、垂直、傾斜的三次元運動,并傳遞到旋振篩的篩面上;物料通過入料口進入設備內,根據不同物料篩分要求,物料經過1-5層采用不同目數的金屬編織篩網的篩分層,在這個過程中,位于各層的篩網下的清網裝置(彈跳球)通過頻率振動不斷撞擊不銹鋼篩網,使篩網上層物料能夠順暢的透網篩分,并有效解決了物料堵網問題出現,不同目數的物料通過各層對應目數的篩網后在各層的出料口排出,實現篩選除雜或過濾分級的目的。



SLS800-2層塑料篩,網目48,用于對聚乙烯粉進行除雜,每小時產量可達100kg。
SLS1000-1層塑料篩,網目60,用于對聚氯乙烯樹脂(PVC)顆粒粉末進行分離,每小時產量可達450kg。
SLS1000-2層塑料篩,網目60,用于對聚合粒進行分級,每小時產量可達3100kg。

1、必須均勻給料:給料量以滿足設備處理為準。一次投料過多,阻礙物料在篩面上的正常運動,不但易使篩網疲勞變松,而且會大大降低物料處理量。 一次性給予大量物料,會使本身處于不平衡運轉的電機負荷驟然增加,而造成電機損壞、減低電機的壽命。如給料量達不到設備的處理能力,即浪費能源,又降低了 產量。
2、有強大沖擊力的給料方式,必須加裝緩沖料斗,物料直接沖擊網面,不但消耗振動源所產生的激振力,更易造成網面破損及篩網疲勞,而影響產量及篩分.過濾的質量。
3、如篩分物料有腐蝕性,使用過后請及時清理干凈。
4、請經常觀看工作網是否變松,請再次使網繃緊。